功能特点
。机器人整体结构高度紧凑、轻量化,更加轻巧适用,尤其部更加小巧,满足更多的场景。
。机器人刚性高,采用高速电机,节拍更快。
。机器人电机采用密封设计,防护等级高达IP67,适应更恶劣的应用环境。
。驱动采用全新的PID控制,前瞻技术,快速响应。观测器动态补偿,弱磁功能,电机控制更好、更稳、转速更高。全新的控制算法、运动学与动力学结合,全新的设计,驱动算法、控制算法融为一体,根据机械部件特件,负载情况,实现自动规划,保评机械寿命的同时机器人在允许的最大能力范围工作,机器人寿命更长久,机器人实现高速
响应,运行速度更快、更柔、更稳,工作节拍更快。
。具有碰撞检测功能和重力补偿功能,机器人精度更高,满足更高精度的场景应用,拓宽应用场景。
。配置独立于控制系统的安全急停板,采用强制型断开继电器,对外提供双回路急停,确保急停的可靠性。
。内装滤波器,有效隔离外部于扰和防止内部于扰输出。
产品参数

安装接口图

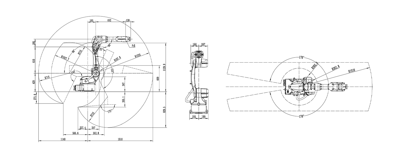
工作范围图
