功能特点
。臂展3.2米,负载能力强,工作范围大,灵活性强。
。运行速度快,重复定位精度高,适用于切割、搬运、焊接等应用场景,适用范围广。
。配置独立于控制系统的安全急停板,采用安全继电器,对外提供双回路急停,确保急停的可靠性。
。本体电缆采用柔性机器人专用电缆。
。内装三相滤波器,有效改善EMC和EMI性能。
。本体提供中中10mm双回路气管,满足外设需求。通过单悬臂小臂结构,减轻终端重量,提升其灵活性,机械手、工具、工件形状的选择性范围。得到扩展。内置电缆、气管,通过小臂和手腕中心处设置中空部分,从机器人基部到腕部末端内置电缆和气管,更大地
。方便了用户使用,提高了作业效率。
。高扩展性,在机器人本体上设置有多处用户支架安装平台,便于用户因定线缆及其相关辅助工装冶具。
产品参数

安装接口图

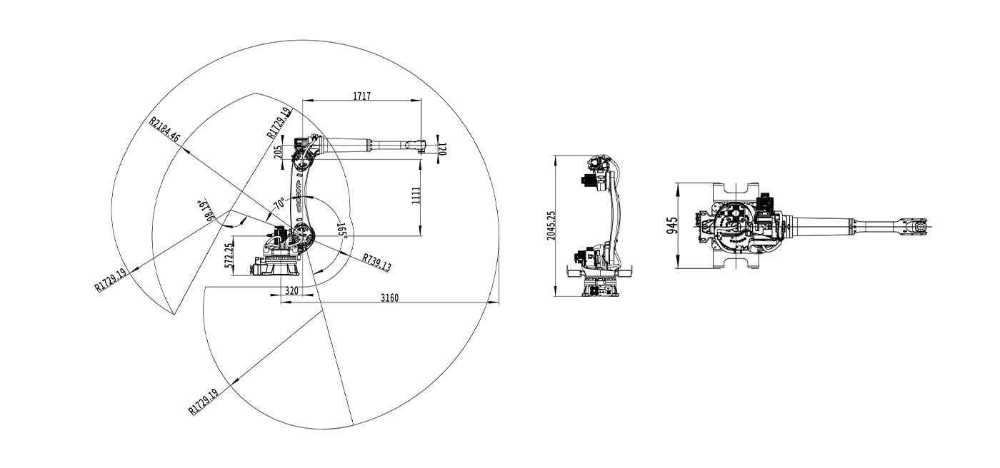
工作范围图
